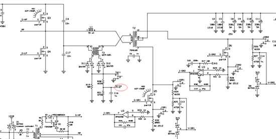
请问如何测量LLC谐振开发套件的原边谐振电流波形,我做过如下尝试:1.如图1所示,我将电压探头夹在PCB板的Ip-cs点上,测出来的波形如图2所示(3通道橘色波形为Ip-cs处波形),为何不是正弦波?2将电压探头夹在T3的1和6脚测出的波形如图3的绿色波形所示,这是正弦波吗?怎么波形不平滑。

图1

图2

图3
xiaopu chen:
回复 mangui zhang:
请问表现到电压观测上,是什么意思?
请问如何测量LLC谐振开发套件的原边谐振电流波形,我做过如下尝试:1.如图1所示,我将电压探头夹在PCB板的Ip-cs点上,测出来的波形如图2所示(3通道橘色波形为Ip-cs处波形),为何不是正弦波?2将电压探头夹在T3的1和6脚测出的波形如图3的绿色波形所示,这是正弦波吗?怎么波形不平滑。

图1

图2

图3
xiaopu chen:
回复 mangui zhang:
请问表现到电压观测上,是什么意思?