LM5117使用问题
你好,我的应用是48V输入,输出35V,电流13A,请问LM5117是否适合,需要注意什么问题?打算用直插低内阻MOS管,贴到机壳散热,电感18X18,17A温升电流,是够满足要求? Wu JW: 电感的饱和电流建议在20A以上。电感的感量...
你好,我的应用是48V输入,输出35V,电流13A,请问LM5117是否适合,需要注意什么问题?打算用直插低内阻MOS管,贴到机壳散热,电感18X18,17A温升电流,是够满足要求? Wu JW: 电感的饱和电流建议在20A以上。电感的感量...
在进行66AK模块设计,使用4颗芯片,TI提供的电源解决方案是,选用LM10011或者需要编程的UCD9244方案呢,请问两种方案有什么特点和区别,如何取舍?我希望面积最小,环境适应性好?如果需要编程的话,是不是需要此过程:就是要在电源通路...
在下是本科学生,使用28035为控制平台做一个电流连续的BOOST控制器,但是在电流连续的时候我的电压总是升不
在下是本科学生,使用28035为控制平台做一个电流连续的BOOST控制器,但是在电流连续的时候我的电压总是升不上去,请教各位老师,我应该采用什么控制算法,或则给我只一个方向 Fly: 建议到28035板块提问 Frank Xiao: 你好,...
请教大神,这段时间用28035控制DSP28035做一个BOOST单环升压,输入12V 想让输出为24V,但是
1.TIDM-HV-1PH-DCAC这个模块在哪里可以购买? 2.如果不能购买,那么官方网站提供的原理图上的I
哪位大神有UCC28C40 BiCMOS 低功耗电流模式 PWM 控制器的multisim的仿真模型?? Coffee Ge73: 官方的仿真模型应该只支持pSpice和TINA两种 Max Han: TI不支持你这种仿真软件 k...

对于一个双环的BOOST变换器 我采用数字控制 用的控制平台为DSP 要求输出端恒压为24V 恒流为2A 电压外环 电流内环 这里有一个算法 就是电流内环处理要比电压外环快 为...
TPS82670SIPR 这款电源模块谁用过?性能如何?请大侠赐教! Fly: 亲,TI的电源,你值得拥有,值得信赖! Max Han: 简单易用,性能很好 Zhengxing Li: 我有一个大客户在用,出货量很大 Fly: ...

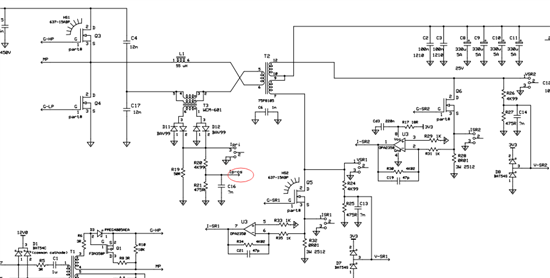
1.请问如图1所示,图中T2是什么?电流互感器吗?我用探头夹在T2的1和6端能测出谐振电流吗? 2.如图2所示